| Estado de Disponibilidad: | |
|---|---|
| Cantidad: | |
Jy-jtz
Jingyi
8441.8090
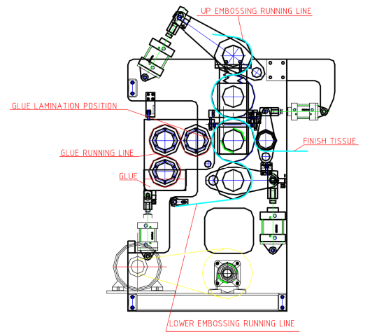
Esquema
El papel higiénico de alta velocidad automático de tipo pared /Máxi Rolli Roll Machine es para procesamiento de rollo de papel higiénico /rollo Maxi.
La máquina tiene una unidad de alimentación de núcleo, puede hacer tanto con y sin núcleo. La materia prima del rollo jumbo después del relieve completo o el relieve de borde, luego la perforación, el corte de extremo y el rocío del pegamento en la cola se convierten en un tronco.
Luego puede trabajar con máquina de corte y máquina de embalaje para convertirse en los productos terminados. La máquina está controlada por PLC, las personas la operan a través de la pantalla táctil, todo el proceso es automático, fácil Para operar, reduzca el costo del hombre. Y nuestra máquina puede ser especial de acuerdo con los requisitos de los clientes.
Funciones y características
1. Esta máquina es para hacer rollos de papel higiénico, toda la estructura es de tipo pared, que hace que la máquina funcione estable a alta velocidad y sin ruido.
2. La distancia de la operación es ajustable para satisfacer las diferentes necesidades de distancia.
3. Sistema de alimentación de núcleo automático, empujando automático el registro después de rebobinar, luego rebobinar el nuevo registro nuevamente.
4. Corte de borde automático, pulverización de pegamento y sellado sincrónicamente en una vez. Dejando la cola de 10-18 mm, fácil de rebobinar nuevamente, por lo que reducir los desechos atajos y ahorrar el costo.
5.Adopts Técnica de control programable PLC avanzada, operación de interfaz de máquina, conjunto de datos y falla paramétrica se muestra en la pantalla táctil.
6.Adopts 4 piezas cuchillos espirales de alta precisión, bajo ruido, perforación clara, adopción de la caja de cambios para tener un rango más grande.
7. Dos soportes de espalda de tipo pared, sistema de elevación neumática, con cinturones planos de conducción anchas; Cada rollo de jumbo se puede ajustar de forma independiente.
8.adopt interruptores de trote para usar el papel, fácil y seguro para operar.
Parámetro técnico
Ancho de Jumbo Roll Max | 1200 mm-2800 mm |
Diámetro de rollo jumbo | Φ1100 mm-2000 mm |
Diámetro interno de rollo jumbo | 3 pulgadas (76.2 mm) (se puede especificar otro tamaño) |
Distancia de perforación | 4 cuchillas de yunque (115 mm) (se puede especificar otro tamaño) |
Diámetro del producto terminado | Φ80 ~ φ280 mm |
Diámetro del núcleo del producto terminado | φ38 ~ φ76 mm |
Velocidad de producción | 0 ~ 230m/min |
Controlador de programa | PLC (delta) |
Representantes | 1 a 3 stands (debe especificarse) |
Sistema neumático | Compresor de aire de 3 hp, presión mínima: 5 kg/cm 2PA (Proporcionar por el usuario) |
Poder principal | 14kw |
Dimensión de la máquina | 7000*4000*1900 (L*W*H) |
Peso de la máquina | Alrededor de 7t |
Jumbo Roll se puede usar | 1 a 3 capas, 14-30 gsm (es necesario especificar) |
En relieve de línea de borde (se puede especificar) | Acero al acero (control neumático) |
En relieve (se puede especificar) | La configuración de la máquina estándar con una unidad de estampado, el acero al rodillo de goma (la unidad de estampado doble es opcional). |
Voltaje | 380V 50Hz |
MáquinaPrincipalDescripción
Alimentación automática del núcleo y descargando el rollo automáticamente, la máquina puede hacer ambas cosas con el núcleo y sin núcleo
Corte automático y rocía el pegamento para sellar la cola del rollo
Distancia de perforación de alta precisión: 100-150 mm, 4 yunes de vejez a la unidad de estampado de goma. La vida útil del rodillo de goma es de aproximadamente 4-5 años, la profundidad de relieve es 0.8-1.2 mm según el patrón de estampado
Distancia de perforación de alta precisión: 100-150 mm, 4 cuchillas de yunque
Unidad de estampado de acero a goma. La vida útil del rodillo de goma es de aproximadamente 4-5 años, la profundidad de relieve es 0.8-1.2 mm según el patrón de estampado
Rollo Jumbo, 1-3 capas, 14-30 GSM Papel higiénico o toalla de cocina, diámetro de rollo Jumbo Max es de 1100 mm, el diámetro del núcleo interno es de 76,2 mm.
cinturón sincrónico
PLC y el inversor de frecuencia es Delta de Taiwán, usamos este sistema durante más de 10 años, ejecutando muy estable. Si quiere cambiar otra marca, debe mencionar y agregar la diferencia de precios.
Dos tipos de pared estructura jumbo roll roll hacia atrás, Levante neumático el rollo jumbo

Adoptamos la unidad de laminación de pegamento de alto grado, la estructura del tipo de pared, el patrón de relieve punto a punto, el sistema de control de volumen de pegamento para que el pegamento se distribuya de manera uniforme, y el rodillo en el interior tiene un sistema de calentamiento para que el papel se seque rápidamente con pegamento, lo que puede hacer que el patrón de relieve sea un aspecto de relieve. profundo y claro.









Muestras de productos terminados, diámetro del rollo: φ80-φ280 mm, diámetro del núcleo del rodillo: φ38-φ48 mm, se debe mencionar otro tamaño.
Esquema
El papel higiénico de alta velocidad automático de tipo pared /Máxi Rolli Roll Machine es para procesamiento de rollo de papel higiénico /rollo Maxi.
La máquina tiene una unidad de alimentación de núcleo, puede hacer tanto con y sin núcleo. La materia prima del rollo jumbo después del relieve completo o el relieve de borde, luego la perforación, el corte de extremo y el rocío del pegamento en la cola se convierten en un tronco.
Luego puede trabajar con máquina de corte y máquina de embalaje para convertirse en los productos terminados. La máquina está controlada por PLC, las personas la operan a través de la pantalla táctil, todo el proceso es automático, fácil Para operar, reduzca el costo del hombre. Y nuestra máquina puede ser especial de acuerdo con los requisitos de los clientes.
Funciones y características
1. Esta máquina es para hacer rollos de papel higiénico, toda la estructura es de tipo pared, que hace que la máquina funcione estable a alta velocidad y sin ruido.
2. La distancia de la operación es ajustable para satisfacer las diferentes necesidades de distancia.
3. Sistema de alimentación de núcleo automático, empujando automático el registro después de rebobinar, luego rebobinar el nuevo registro nuevamente.
4. Corte de borde automático, pulverización de pegamento y sellado sincrónicamente en una vez. Dejando la cola de 10-18 mm, fácil de rebobinar nuevamente, por lo que reducir los desechos atajos y ahorrar el costo.
5.Adopts Técnica de control programable PLC avanzada, operación de interfaz de máquina, conjunto de datos y falla paramétrica se muestra en la pantalla táctil.
6.Adopts 4 piezas cuchillos espirales de alta precisión, bajo ruido, perforación clara, adopción de la caja de cambios para tener un rango más grande.
7. Dos soportes de espalda de tipo pared, sistema de elevación neumática, con cinturones planos de conducción anchas; Cada rollo de jumbo se puede ajustar de forma independiente.
8.adopt interruptores de trote para usar el papel, fácil y seguro para operar.
Parámetro técnico
Ancho de Jumbo Roll Max | 1200 mm-2800 mm |
Diámetro de rollo jumbo | Φ1100 mm-2000 mm |
Diámetro interno de rollo jumbo | 3 pulgadas (76.2 mm) (se puede especificar otro tamaño) |
Distancia de perforación | 4 cuchillas de yunque (115 mm) (se puede especificar otro tamaño) |
Diámetro del producto terminado | Φ80 ~ φ280 mm |
Diámetro del núcleo del producto terminado | φ38 ~ φ76 mm |
Velocidad de producción | 0 ~ 230m/min |
Controlador de programa | PLC (delta) |
Representantes | 1 a 3 stands (debe especificarse) |
Sistema neumático | Compresor de aire de 3 hp, presión mínima: 5 kg/cm 2PA (Proporcionar por el usuario) |
Poder principal | 14kw |
Dimensión de la máquina | 7000*4000*1900 (L*W*H) |
Peso de la máquina | Alrededor de 7t |
Jumbo Roll se puede usar | 1 a 3 capas, 14-30 gsm (es necesario especificar) |
En relieve de línea de borde (se puede especificar) | Acero al acero (control neumático) |
En relieve (se puede especificar) | La configuración de la máquina estándar con una unidad de estampado, el acero al rodillo de goma (la unidad de estampado doble es opcional). |
Voltaje | 380V 50Hz |
MáquinaPrincipalDescripción
Alimentación automática del núcleo y descargando el rollo automáticamente, la máquina puede hacer ambas cosas con el núcleo y sin núcleo
Corte automático y rocía el pegamento para sellar la cola del rollo
Distancia de perforación de alta precisión: 100-150 mm, 4 yunes de vejez a la unidad de estampado de goma. La vida útil del rodillo de goma es de aproximadamente 4-5 años, la profundidad de relieve es 0.8-1.2 mm según el patrón de estampado
Distancia de perforación de alta precisión: 100-150 mm, 4 cuchillas de yunque
Unidad de estampado de acero a goma. La vida útil del rodillo de goma es de aproximadamente 4-5 años, la profundidad de relieve es 0.8-1.2 mm según el patrón de estampado
Rollo Jumbo, 1-3 capas, 14-30 GSM Papel higiénico o toalla de cocina, diámetro de rollo Jumbo Max es de 1100 mm, el diámetro del núcleo interno es de 76,2 mm.
cinturón sincrónico
PLC y el inversor de frecuencia es Delta de Taiwán, usamos este sistema durante más de 10 años, ejecutando muy estable. Si quiere cambiar otra marca, debe mencionar y agregar la diferencia de precios.
Dos tipos de pared estructura jumbo roll roll hacia atrás, Levante neumático el rollo jumbo

Adoptamos la unidad de laminación de pegamento de alto grado, la estructura del tipo de pared, el patrón de relieve punto a punto, el sistema de control de volumen de pegamento para que el pegamento se distribuya de manera uniforme, y el rodillo en el interior tiene un sistema de calentamiento para que el papel se seque rápidamente con pegamento, lo que puede hacer que el patrón de relieve sea un aspecto de relieve. profundo y claro.









Muestras de productos terminados, diámetro del rollo: φ80-φ280 mm, diámetro del núcleo del rodillo: φ38-φ48 mm, se debe mencionar otro tamaño.
Quanzhou, Fujian, China
Quanzhou, Fujian, China
Teléfono: +86 - 13615946593